Elektrický topný modul T4/3x230
Kód: 10847Detailní popis produktu
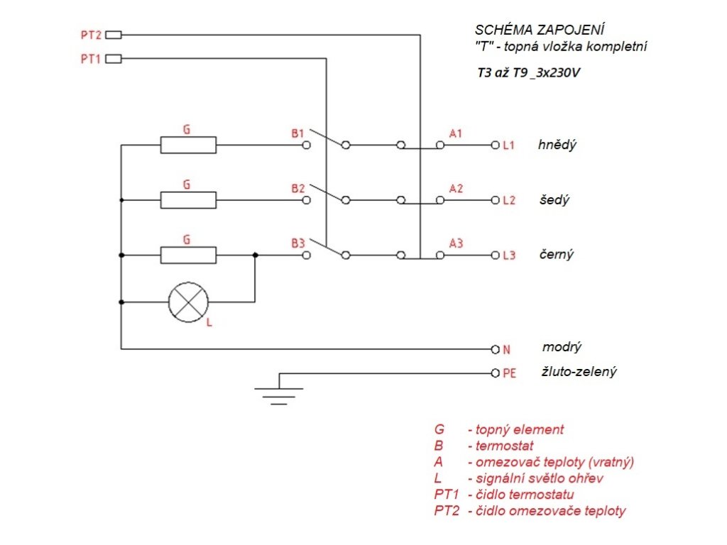
Topná tělesa pro ohřívače vody s vestavěným termostatem a tepelnou pojistkou. Topná tělesa, tyče zajišťují ohřev většího množství vody. Topná tělesa jsou přizpůsobena ke spolupráci s externím řízením.
Řízení a nastavení zajišťuje vestavěný třífázový termostat firmy COTHERM s možností nastavení ohřevu v oblasti 20-85 °C, obsahuje integrovaný bezpečnostní omezovač teploty, který vypíná při teplotě 90 °C.
Dokumenty ke stažení
Návod k instalaci a obsluze Návod k instalaci a obsluze
Doplňkové parametry
| Kategorie: | Topná tělesa a moduly |
|---|---|
| Záruka: | 24 měsíců |
| Hmotnost: | 2.6 kg |
| EAN: | 8591565108475 |
| Jištění: | 3x 10 A |
| Napětí: | 3x 400 V |
| Příkon: | 3x 1500 W |
| Připojovací šroubení: | G 6/4" |
Diskuze
Buďte první, kdo napíše příspěvek k této položce.

Wterm je tradiční český výrobce elektrických ohřívačů vody včetně příslušenství. V oboru působí více než 20 let, investice do vývoje a kvalitní servis. Firma zajišťuje širokou síť autorizovaných servisů po celém území ČR.
![]()
V roce 2023 se Wterm spojil s výrobcem KOSPEL a doplnili řadu produktů o segment velkých zásobníků vody až do 500 litrů objemu. KOSPEL vyniká kvalitou, servisem a šetrností k životnímu prostředí.
| Výrobní společnost : | RPR-WTERM, s. r. o. |
|---|---|
| Adresa : | Bukovecká 1202 739 91 Jablunkov |
| E-mail : | info@wterm.cz |
